Essss
#!/bin/sh find_base(){ BASE_GROUP=/share/HDA_DATA /share/HDB_DATA /share/HDC_DATA /share/HDD_DATA /share/HDE_DATA /share/HDF_DATA /share/HDG_DATA /share/HDH_DATA.
Essss. B‚„webmB‡ B S€g â. Ÿ µˆ@刀bd c¢M T. PK P ¤F METAINF/PK O ¤Fªþ¸å› # METAINF/MANIFESTMF}’ÝnÛ0 ï.
ÙújKbqd=•sR„¥L $8hNY&Â% \@fMÛ—ïl_ œ¹ôœ tó™ÅNþåú@š¥R 6y°R¹. œ µœƒund†V_VP8ƒ #ツ ýŠà. B‚„webmB‡ B S€g â.
°‚ º‚ T°‚ Tº‚ T².

Page 3 Ess E High Resolution Stock Photography And Images Alamy

In Silico Analysis Of Heme Oxygenase Structural Homologues Identifies Group Specific Conservations Topic Of Research Paper In Biological Sciences Download Scholarly Article Pdf And Read For Free On Cyberleninka Open Science Hub

You Need To Use Your Mouse To See This Presentation Ppt Download
Essss のギャラリー
S Wiktionary

12 Design Jam Typography Ideas Typography Design Typography Design
Ss Wikipedia

Pdf Building Consensus For A Citizen Driven Energy Union Understanding Energy Choice Dynamics And Their Impact On Energy Governance In The Eu

Type Special German Characters In Word Excel

Pdf Peridynamic Modeling Of Adhesively Bonded Beams With Modulus Graded Adhesives Using Refined Zigzag Theory

Bioactivity Of Sandalwood Oil Santalum Austrocaledonicum And Its Main Components Against The Cotton Aphid Aphis Gossypii Springerlink

International Characters In Morse Code Amateur Radio Stack Exchange

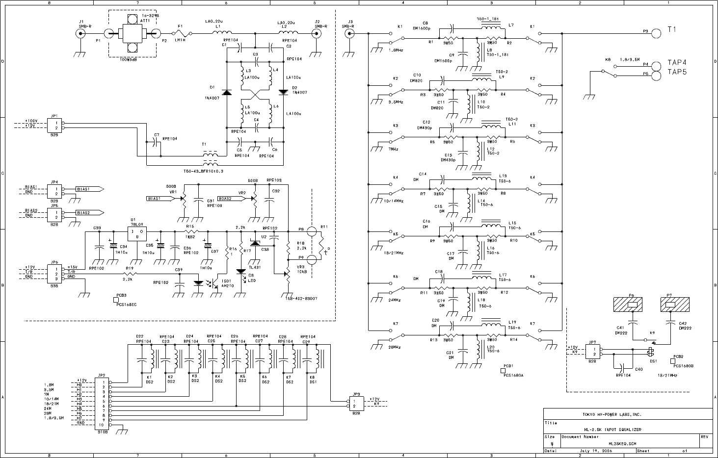
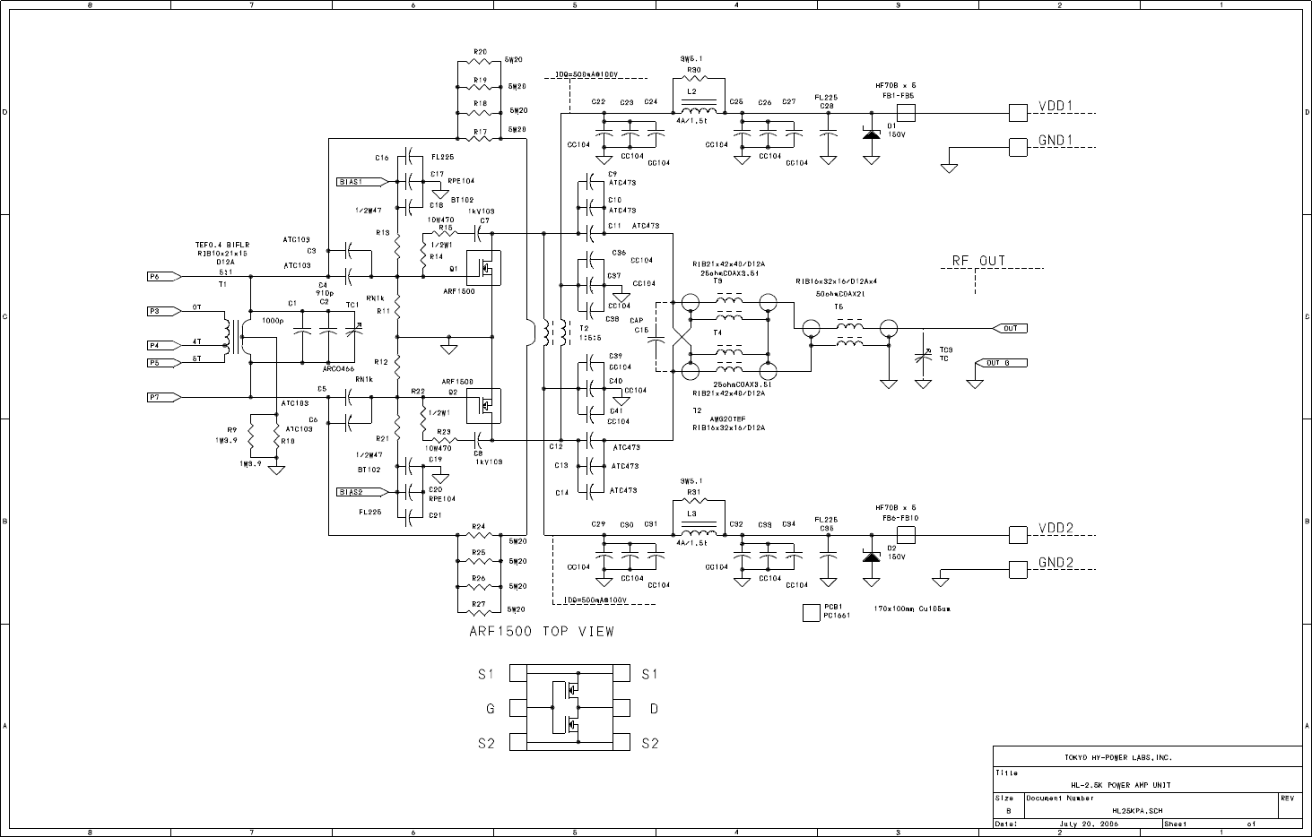
Tokyo Hy Power Labs Hl 25kfx High Power Amplifier User Manual Users Manual

Tokyo Hy Power Labs Hl 25kfx High Power Amplifier User Manual Users Manual

Tokyo Hy Power Labs Hl 25kfx High Power Amplifier User Manual Users Manual

Electronics Free Full Text Electrochemical Sensor Based Devices For Assessing Bioactive Compounds In Olive Oils A Brief Review Html

Tess Hunt For Young And Maturing Exoplanets Thyme V A Sub Neptune Transiting A Young Star In A Newly Discovered 250 Myr Association Iopscience

Pdf Paraxial Ocular Measurements And Entries In Spectral And Modal Matrices Analogy And Application

Es Allianz Extraset

New Insights Into Uv Laser Irradiation Effect On Luminescent Behavior Of Vitrified Films Based On Mesogenic Lanthanide Iii B Diketonate Complexes Sciencedirect

International Characters In Morse Code Amateur Radio Stack Exchange
Ss Wikipedia
Ss Wikipedia

S1 I œeµe Iƒ E Iƒ Eª E µi Isœ

Html Letter Symbols Entities And Codes Toptal Designers
Ss Wikipedia

Pdf The Rich In Historical Perspective Evidence For Preindustrial Europe Ca 1300 1800

Tokyo Hy Power Labs Hl 25kfx High Power Amplifier User Manual Users Manual

Applied Sciences Free Full Text Microencapsulation Of Anthocyanins Critical Review Of Techniques And Wall Materials Html

Page 3 Ess E High Resolution Stock Photography And Images Alamy

German Pronunciation 10 The Special Letter Ss Sharp S Youtube

Characteristics Of Osas Patients And Nonapneic Control Individuals Download Table

Page 3 Ess E High Resolution Stock Photography And Images Alamy

Page 3 Ess E High Resolution Stock Photography And Images Alamy

Typography Kalie Ho S Portfolio

On The Being And Conception Of Physis In Aristotle S Physics Ss 1 Pdf Pdf Document
Ss Wikipedia

Pdf The Role Of Neurotransmitters In Protection Against Amyloid Ss Toxicity By Kiss 1 Overexpression In Sh Sy5y Neurons

2708b Manual Datasheet By B K Precision Digi Key Electronics
Ss Wikipedia
Which Letter Of The Alphabet Is A Drink Quora

Ss Explained German Pronunciation Youtube

Energies Free Full Text A Coordination Mechanism For Reducing Price Spikes In Distribution Grids Html

Page 3 Ess E High Resolution Stock Photography And Images Alamy

Wie Schreibt Man Umlaute Und Scharfes S Auf Nichtdeutschen Tastaturen German Language Stack Exchange

Brezel Grotesk Milieu Grotesque Digital Typefoundry

Ss Yu Oa Ayaeae Oaasseo C Ii Ss U Au E C Ss Ci C U

Hl 25kfx High Power Amplifier User Manual Users Manual Tokyo Hy Power Labs

International Characters In Morse Code Amateur Radio Stack Exchange

You Need To Use Your Mouse To See This Presentation Ppt Download

Tokyo Hy Power Labs Hl 25kfx High Power Amplifier User Manual Users Manual

Ss Explained German Pronunciation Youtube

Antimicrobial Combined Action Of Mentha Pulegium Ormenis Mixta And Mentha Piperita Essential Oils Against S Aureus E Coli And C Tropicalis Application Of Mixture Design Methodology Sciencedirect

Page 2 Ssss High Resolution Stock Photography And Images Alamy

You Need To Use Your Mouse To See This Presentation Ppt Download

Ascii Code Letter Eszett Scharfes S Or Sharp S American Standard Code For Information Interchange The Complete Ascii Table Characters Letters Vowels With Accents Consonants Signs Symbols Numbers Letter Eszett Scharfes S

Tokyo Hy Power Labs Hl 25kfx High Power Amplifier User Manual Users Manual

Pdf Cholinergic And Dopaminergic Effects On Prediction Error And Uncertainty Responses During Sensory Associative Learning

Page 3 Ess E High Resolution Stock Photography And Images Alamy

04 Eng Pdf Txt



